Eckenschutzprofil Typ C
Klicken Sie eines der untenstehenden Modelle an, um technische Zeichnungen und Ausschreibungstext anzusehen
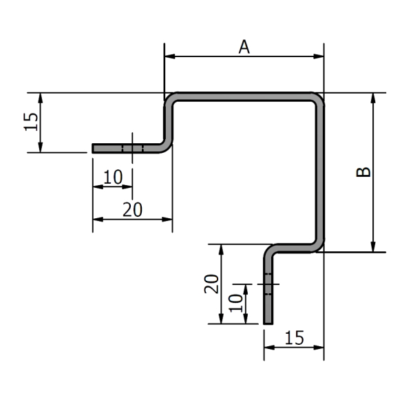
| CAD | Ausschreibungstext | Höhe | Material | Dicke | Breite | Breite | ||
|---|---|---|---|---|---|---|---|---|
|
158080
|
- | 25 mm | Aluminium | 2 mm | mm | mm | |
|
500005
|
- | 25 mm | Edelstahl | 1.5 mm | mm | mm | |
Lesen Sie hier die Garantiebedingungen für unsere Produkte.

Standardmaße:
– 25 x 25 x 1,5 mm
Standardlängen:
2500 mm - 3000 mm
Andere Maße auf Anfrage
Kontaktieren Sie uns oder fordern Sie direkt ein Angebot an.